Gebrauchtgeräte, Restposten und Profi-Werkzeuge – direkt von verifizierten Betrieben.
Als Anbieter verkaufen? Erreiche Fachbetriebe genau dort, wo sie suchen. Zum Kältetechnik Marktplatz
Notkühlung, Überbrückung oder geplanter Bedarf? Anfrage in 2 Minuten stellen – wir vermitteln passende Anbieter in Ihrer Region. Mehr erfahren
Speichern Sie unsere Nachrichtenübersicht als Startseite und sind so täglich informiert im Bereich Kälte- und Klimatechnik - ideal für ihr Handy! Zur Nachrichten-Übersicht
Die neue A+++ Luft-Wasser-Wärmepumpe von ATEC gehört mit 71 dB(A) Schallleistungspegel bei Volllast zu den leisesten ihrer Klasse. Ausgestattet mit natürlichem Kältemittel, Zubehör für jeden Bedarf und Kaskadenoption passt sie dorthin, wo die Wärmewende sie dringend braucht: in den innerstädtischen Gebäudebestand.
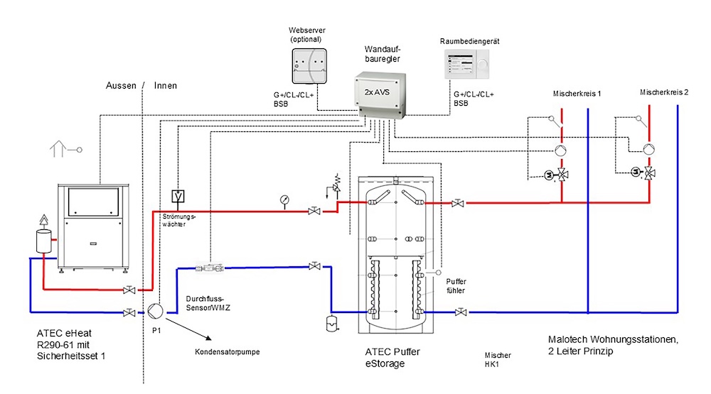
Ob Industrie-, Gewerbe- oder Wohnobjekt – speziell in eng bebauten Gebieten ist es essenziell, schon vor dem Wärmepumpen-Einbau Akustik und Schallschutz zu prüfen. Die neue eHEAT R290-61 liegt mit einem ErP-Pegel von 64 dB(A) deutlich unter der 70 dB(A)-Grenze aus der Ökodesignrichtlinie für 2026. Dabei erzielt sie durch stufigen Betrieb bei einer Heizleistung von 61 kW (A2/W55) einen COP von 3 bzw. bei 69,8 kW (A7/W35) einen COP von 5. Sowohl bei Niedertemperaturanwendung (W35) als auch bei Mitteltemperaturanwendung (W55) erreicht das Gerät die Energieeffizienzklasse A+++.
Die eHEAT R290-61 vermag bei bis zu -15 °C Außentemperatur zuverlässig 65 °C Vorlauftemperatur zu generieren. Für die Bereitung des Trinkwarmwassers kann der interne Temperaturhub auf 10 K angehoben werden. Für den Sommer bietet sie eine Kühlfunktion (37 kW bei A30/W12, EER 4,81). Die Geräte messen 2.335 x 1.320 x 1.645 mm (L/B/H) bei 860 kg Nettogewicht. Sie stehen auf 5 cm höhenverstellbaren Schalldämmfüßen. Hoher Vorfertigungsgrad und gut zugängliche Anschlüsse erleichtern Installation und Revision. Zusätzlich zur integrierten Regelung für 3 Heizkreise plus Warmwasser sind Wandaufbauregler zur einfachen Anbindung weiterer Peripheriegeräte erhältlich.
Für höchste Sicherheit sorgen gasdichte Kabelverschraubungen, außerdem ein hermetisch getrennter Maschinenraum inklusive Ölauffangwanne sowie R290-Detektoren mit Abschalt- und Warnfunktion. Mit Zubehör wie Gasabscheider, Sicherheitszwischenkreis, Umwälzpumpe oder Webserver lassen sich Anlagen fallgenau optimieren. ATEC unterstützt intensiv bei Planung, Installation und Wartung. Auf Anfrage erhalten Kunden schalltechnische Untersuchungen nach ISO 9612 oder passend konfigurierte Hydraulikkonzepte samt Materiallisten.

